Строительный блокнот  Introduction to electronics 

1 2 3 4 5 6 7 8 9 10 11 12 13 14 15 16 17 18 19 20 21 22 23 24 25 26 27 28 29 30 31 32 33 34 35 36 37 38 39 40 41 42 43 44 45 46 47 48 49 50 51 52 53 54 55 56 57 58 59 60 61 62 63 64 65 66 67 68 [ 69 ] 70 71 72 73 74 75 76 77 78 79 80 81 82 83 84 85 86 87 88 89 90 91 92 93 94 95 96 97 98 99 100 101 102 103 104 105 106 107 108 109 110 111 112 113 114 115 116 117 118 119 120 121 122 123 124 125 126 127 128 129 130 131 132 133 134 135 136 137 138 139 140 141 142 143 144 145 146 147 148 149 150 151 152 153 154 155 156 157 158 159 160 161 162 163 164 165 166 167 168 169 170 171 172 173 174 175 176 177 178 179 180 181 182 183 184 185 186 187 188 189 190 191 192 193 194 195 196 197 198 199 200 201 202 203 204 205 206 207 208 209 210 211 212 213 214 215 216 217 218 219 220 221 222 223 224 225 226 227 228 229 230 231 232 233 234 235 236 237 238 239 240 241 242 243 244 245 246 247 248 249 250 251 252 253 254 255 256 257 258 259 260 261 262 263 264 265 266 267 268 269 270 271 272 273 274 275 276 277 278 279 280 281 282 283 284 285 286 287 288 289 290 291 292 293 294 295 296 297 298 299 300



1 : D



Fig. 7.17 Averaged small-signal ac models for several basic converters operating in continuous conduction mode: (a) buck, (b) boost, (c) buck-boost.

1 : л

1--1

% CI о

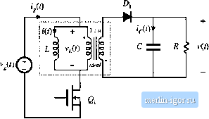
Fig. 7.18 Flybackconverterexarnple.




Transformer model


Fig. 7.19 Flyback convener example: (a) incorpnration of trans farmer equivalent circuil, (b) circuit during sub-interval 1, (c) circuit during suliiutcrval 2.

reduces to Fig. 7.19(b). The inductor voltage l(f), capacitor current ((-(t), and converter input current ! (0 ;u-e:

v(rt = v,(f)-i(f)ff

/c(0= /f> = (f)

(7.51)

We next inake the small ripple approximation, replacing the voltages and currents with their average val-



ues as defined by Eq. (7.3), to obtain

(ко),;

(7.52)

Duriag the second subinterval, MOSFET Qi is off, ditxle Dj conducts, and the circuit of Fig. 7.19(c) is obtained. Analysis of this circuit shows that the inductor voltage, capacitor current, and input current are given by

(0 = -t> ,(0 = 0

(7,53)

The small-ripple approximation leads to

Vi.il) =--й-

cW--n---

(7.54)

The inditctor voltage and current waveftirms are slietched in Fig. 7.20. The average inductor voltage can now be found by averaging the waveform of Fig. 7.20(a) over one switching period. The result is

V. - f,t

- vM

(b) CO


0 dT 7; t

Fig. 7.20 Inductor wavefurtns for the flyback example; (a) inductor voltage, (h) inductor current.



1 2 3 4 5 6 7 8 9 10 11 12 13 14 15 16 17 18 19 20 21 22 23 24 25 26 27 28 29 30 31 32 33 34 35 36 37 38 39 40 41 42 43 44 45 46 47 48 49 50 51 52 53 54 55 56 57 58 59 60 61 62 63 64 65 66 67 68 [ 69 ] 70 71 72 73 74 75 76 77 78 79 80 81 82 83 84 85 86 87 88 89 90 91 92 93 94 95 96 97 98 99 100 101 102 103 104 105 106 107 108 109 110 111 112 113 114 115 116 117 118 119 120 121 122 123 124 125 126 127 128 129 130 131 132 133 134 135 136 137 138 139 140 141 142 143 144 145 146 147 148 149 150 151 152 153 154 155 156 157 158 159 160 161 162 163 164 165 166 167 168 169 170 171 172 173 174 175 176 177 178 179 180 181 182 183 184 185 186 187 188 189 190 191 192 193 194 195 196 197 198 199 200 201 202 203 204 205 206 207 208 209 210 211 212 213 214 215 216 217 218 219 220 221 222 223 224 225 226 227 228 229 230 231 232 233 234 235 236 237 238 239 240 241 242 243 244 245 246 247 248 249 250 251 252 253 254 255 256 257 258 259 260 261 262 263 264 265 266 267 268 269 270 271 272 273 274 275 276 277 278 279 280 281 282 283 284 285 286 287 288 289 290 291 292 293 294 295 296 297 298 299 300