Строительный блокнот  Introduction to electronics 

1 2 3 4 5 6 7 8 9 10 11 12 13 14 15 16 17 18 19 20 21 22 23 24 25 26 27 28 29 30 31 32 33 34 35 36 37 38 39 40 41 42 43 44 45 46 47 48 49 50 51 52 53 54 55 56 [ 57 ] 58 59 60 61 62 63 64 65 66 67 68 69 70 71 72 73 74 75 76 77 78 79 80 81 82 83 84 85 86 87 88 89 90 91 92 93 94 95 96 97 98 99 100 101 102 103 104 105 106 107 108 109 110 111 112 113 114 115 116 117 118 119 120 121 122 123 124 125 126 127 128 129 130 131 132 133 134 135 136 137 138 139 140 141 142 143 144 145 146 147 148 149 150 151 152 153 154 155 156 157 158 159 160 161 162 163 164 165 166 167 168 169 170 171 172 173 174 175 176 177 178 179 180 181 182 183 184 185 186 187 188 189 190 191 192 193 194 195 196 197 198 199 200 201 202 203 204 205 206 207 208 209 210 211 212 213 214 215 216 217 218 219 220 221 222 223 224 225 226 227 228 229 230 231 232 233 234 235 236 237 238 239 240 241 242 243 244 245 246 247 248 249 250 251 252 253 254 255 256 257 258 259 260 261 262 263 264 265 266 267 268 269 270 271 272 273 274 275 276 277 278 279 280 281 282 283 284 285 286 287 288 289 290 291 292 293 294 295 296 297 298 299 300

Fig. 6,38 Wavufomis of thu isolated SEPIC, condiiuous condutiioii mode.

kit)

Conducting devices:

DT,

{iy--iiln \

netizing inductance performs the energy-storage function of the original inductor l. In addition, the ideal transformer provides isolation and a turns ratio.

Typical primary and secondary winding current waveforms iif) and are portrayed in Fig 6.38, for the continuous conduction mode. The magnetic device must function as both a flyback trans former and also a conventional two-winding transformer. During subinterval 1, while transistor Qj con ducts, the magnetizing current Hows through the primary winding, and the secondary winding current is zero. During subinterval 2, while diode Dj conducts, the magnetizing current flows through the second ary winding to the load, In addition, the input inductor current i,ilows through the primary winding. This induces ati additiotial component of .secondaty curretit ifti, which also flows to the load. So design ofthe SEPIC transformer is somewhat unusual, and the rms winding currents are larger than those ofthe flyback transformer.

By application ofthe principle of volt-second balance to inductors L and L, the conversion ratio can be shown to be

Ideally, the transistor must block voltaiie VJD. In practice, additional voltage is observed due to ringing associated with the transformer leakaiie inductance.



Comener Circuits


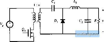
Пй. 6.3!) Isolated iiiveise-SEPIC,

All isolated version of the inverse-SEPiC is shown in Fig. fy?9. Operation and design of the transformer i.s similar to that of the SEPIC.

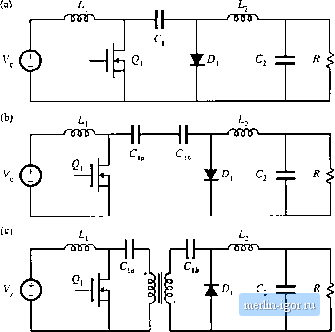
Isolation in the Cuk converter is obtained in a different manner [181. The basic nonisolated Cuk converter is illustrated in Fig. 6.4()(a). In Fig. 6.40(b), capacitor C is split into two series capacitors C[ and C[j,. A transforiner can now be inserted between these capacitors, as indicated in Fig. 6.40(c). The polarity marks have been reversed, so that a positive output voltage is obtained. Having capacitors in series with the transformer primary and secondary windings ensures that node voltage is applied to the transforiner. The transforiner functions in a conventional manner, with small inagnetizing current and negligible energy storage within the magnetizing inductance.

Utilization of the transformer of the Uuk converter is quite good. The magnetizing current can

Pig, 6,40 Obtaining isolation in the Cuk convener: (a) basic nonisolatetl Cvk converter, (b) splitting capacitor C into two scries capacitors, (c) insertion of traii.sformcf between capacitors.


! :n



6.4 Convener Evaluatiofi and Denign 171

be both positive and negative, and hence the entire tore B-H loop can be utilized itdesired. There are no center-tapped windings, aud all ofthe copper is effectively utilized. The tran.sistor must block voltage V/Dp plus some additional voltage due to ringing associated with the transformer leakage inductance. The conversion ratio is identical to that of the isolated SEPIC, Eq. (6.50).

The isolated SEPIC and duk converter find application as switching power supplies, typically at power levels of several hundred watts. They are also now finding use as ac~dc low-harmonic rectifiers.

6.4 CONVERTER EVALUATION AND DESIGN

There is no ultimate converter perfectly suited for all possible applications. For a given application, with given specifications, trade studies should be performed to select a converter topology. Several approaches that meet the specifications should be considered, and for each approach important quantities such as worst-case transistor voltage, worst-case transistor rms current, transformer size, etc., should be computed. This type of quantitative comparison can lead to selection of the best approach, while avoiding the personal biases of the engineer.

6.4.1 Switch Stress Utilizatiun

Often, the largest single cost in a converter is the cost of the active semiconductor devices. Also, the conduction and switching losses associated with the semiconductor devices often dominates the other converter k)sses. This stiggests evaluating candidate converter approaches by comparing the voltage and current stresses imposed on the active semiconductor devices. Minimization of the total switch stresses leads to miniinization ofthe total silicon area required to realize the power devices of the converter.

So it is useful to compare the total active switch stress and active switcli utilization of candidate converter approaches. In a good design, the voltages and currents imposed on the semiconductor devices is minimized, while the k)ad power is maximized. If a converter contains i: active semiconductor devices, the total active switch stress S can be defined as

(6,51)

where Vj is the peak voltage applied to semiconductor switch j. and Ij is the rms current applied to switch / Peak rather than rms current is sometimes used, with qualitatively similar results. If the converter load power is Pi j, then the active switch utilization U can be defined as

/1 - (6,52)

The switch utilization is less than one in transformer-isolated converters, and is a quantity to be maximized.

For example, consider the transistor utilization in the CCM flyback converter of Fig. 6.30(d). The peak transistor voltage occurs during subinterval 2, and is equal to the dc input voltage plus the reflected load voltage VAr



1 2 3 4 5 6 7 8 9 10 11 12 13 14 15 16 17 18 19 20 21 22 23 24 25 26 27 28 29 30 31 32 33 34 35 36 37 38 39 40 41 42 43 44 45 46 47 48 49 50 51 52 53 54 55 56 [ 57 ] 58 59 60 61 62 63 64 65 66 67 68 69 70 71 72 73 74 75 76 77 78 79 80 81 82 83 84 85 86 87 88 89 90 91 92 93 94 95 96 97 98 99 100 101 102 103 104 105 106 107 108 109 110 111 112 113 114 115 116 117 118 119 120 121 122 123 124 125 126 127 128 129 130 131 132 133 134 135 136 137 138 139 140 141 142 143 144 145 146 147 148 149 150 151 152 153 154 155 156 157 158 159 160 161 162 163 164 165 166 167 168 169 170 171 172 173 174 175 176 177 178 179 180 181 182 183 184 185 186 187 188 189 190 191 192 193 194 195 196 197 198 199 200 201 202 203 204 205 206 207 208 209 210 211 212 213 214 215 216 217 218 219 220 221 222 223 224 225 226 227 228 229 230 231 232 233 234 235 236 237 238 239 240 241 242 243 244 245 246 247 248 249 250 251 252 253 254 255 256 257 258 259 260 261 262 263 264 265 266 267 268 269 270 271 272 273 274 275 276 277 278 279 280 281 282 283 284 285 286 287 288 289 290 291 292 293 294 295 296 297 298 299 300