Строительный блокнот  Introduction to electronics 

1 2 3 4 5 6 7 8 9 10 11 12 13 14 15 16 17 18 19 20 21 22 23 24 25 26 27 28 29 30 31 32 33 34 35 36 37 38 39 40 41 42 43 44 45 46 47 48 49 50 51 52 [ 53 ] 54 55 56 57 58 59 60 61 62 63 64 65 66 67 68 69 70 71 72 73 74 75 76 77 78 79 80 81 82 83 84 85 86 87 88 89 90 91 92 93 94 95 96 97 98 99 100 101 102 103 104 105 106 107 108 109 110 111 112 113 114 115 116 117 118 119 120 121 122 123 124 125 126 127 128 129 130 131 132 133 134 135 136 137 138 139 140 141 142 143 144 145 146 147 148 149 150 151 152 153 154 155 156 157 158 159 160 161 162 163 164 165 166 167 168 169 170 171 172 173 174 175 176 177 178 179 180 181 182 183 184 185 186 187 188 189 190 191 192 193 194 195 196 197 198 199 200 201 202 203 204 205 206 207 208 209 210 211 212 213 214 215 216 217 218 219 220 221 222 223 224 225 226 227 228 229 230 231 232 233 234 235 236 237 238 239 240 241 242 243 244 245 246 247 248 249 250 251 252 253 254 255 256 257 258 259 260 261 262 263 264 265 266 267 268 269 270 271 272 273 274 275 276 277 278 279 280 281 282 283 284 285 286 287 288 289 290 291 292 293 294 295 296 297 298 299 300

Fig. 6.26 Magnetizing current waveform, forward converter: (a)DCM, f <0,5;(b)CCM,D>0,5. f*) ,-(()


inductance, tlie primary winding voltage v(t) tniist liave zero average. Referring to Fig. ft.24, the average of ij(f) is given by

(v,)-D[V) + Oj[-V / ,) + D3(0) = 0 Solution for the duty cycle yields

Note that the duty cycle cannot be negative. But since D + + Dj = 1, we can write

(6.30)

(6.31)

(6,32)

Substitution of Eq. (6.31) into Eq. (6.32) leads to

Solution for D then yields

Д,= 1-01+

>0

So the maximum duty cycle is limited. For the common choice = fJj, the limit becotnes

(6.33)

(6.34)

(6.35)

If this limit is violated, then the transistor off-time is insufficient to reset the transformer magnetizing current to zero before the end ofthe switching period. Transfortner saturation may then occur.

The transfortner magnetizing current waveform 1д(() is illustrated in Fig. 6.26, for the typical



case where = itj. Figure 6.26(a) illustrates cpetation with D Й: 0.5. The magnetizing inductance, in conjunction with ditxle D, operates in the discontinuous conduction mode, and iit] is reset to zero before the end of each switching period. Figure 6.26(b) illustrates what happens when the transistor duty cycle D is greater than 0.5. There is then no third subinterval, and the magnetizing inductance operates in continuous conduction mode. Furthermore, subinterval 2 is not long enough to reset the magnetizing cut-rent to zero. Hence, there is a net increase of г(г) over each switching period. Eventually, the magnetizing current will become large enough the saturate the transfortner.

The converter output voltage can be found by application of the principle of inductor volt-second balance to inductor L. Tlte voltage across itiductor L must have zero dc component, and therefore the dc output voltage Vis equal to the dc component of diode voltage Vjji(). The waveform Vjj(0 is illustrated in Fig. 6.24. It has an average value of

Пу J,

(6,36)

This is the solution of the forward converter in the continuous conduction mode. The solution is subject to the constraint given in Eq. (6.34).

It can be seen from Eq. (6.34) that the maximum duty cycle could be increased by decreasing the turns ratio щ1п. This would cause ! (() to decrease more quickly during subinterval 2, resetting the transformer faster. Unfortutiately, this also increases the voltage stress applied to transistor (3] The maximum voltage applied to transistor Q occurs during subinterval 2; solution of the circuit of Fig. 6.25(b) for this voltage yields

(6.э7)

For the comiuoti choice н, = Hj, the voltage applied to the transistor during subinterval 2 is 2V. In practice, a somewhat higher voltage is observed, due to ringing associated with the transformer leakage inductance. So decreasing the turns ratio allows increase of the maximum transistor duty cycle, at the expense of increased transistor blocking voltage,

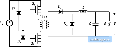
A two-transistor version of the forward converter is illustrated in Fig. 6.27. Transistors and are controlled by the same gate drive signal, such that they both conduct during subinterval 1, and are off during subintervals 2 and 3. The secondary side of the converter is identical to the single-transistor forward converter; diode ii- conducts during subinterval 1, while diode D conducts during subintervals 2 and 3. During subinterval 2, the magnetizing current /jy(0 forward-biases diodes and Щ, The trans-


Pig. 6.27 Two-transistor forward converter.



former primary winding is then oonnected to V, with polarity opposite that of subintervai I. The magnetizing current theti decreases, with siope - V/i.,. When the tnagnetizing current reaches zero, ditxles and become reverse-biased. Tlie magnetizing current then remains at zero for the baiance of the switchitig petiod. So opetatioti ofthe two-transistor forward converter is simiiar to the sitigle-transistor forward converter, in which л, = ij.The duty cycle is limited to D <0.5. This converter Ьа.ч the advantage that the tiatisistor peak blocking voltage is limited to V, and is clamped by diodes D, atid O.Typical power levels of the two-transistor forward converter are similar to those of the half-bridge configuration.

The utilization of the transformer ofthe forward converter is quite good. Since the transformer magnetizing current cannot be negative, only half of the core B-H loop can be used. This would seemingly imply that the transformer cores of forward converters should be twice as large as those of full- or half-bridge converters. However, in modern high-frequency converters, the flux swing is constrained by core loss rather than by the core material saturation flux density. In consequetice, the utilization of the transformer core of the forward converter can be as good as in the full- or half-bridge configurations. Utilization ofthe primary and secondary windings of the transformer is better than in the full-bridge, half-bridge, or push-pull configurations, since the forward converter requires no center-tapped windings. During subinterval 1, all ofthe available winding copper is used to transmit power to the load. Essentially no unnecessary current flows during subintervals 2 and 3. Typically, the magnetizing current is small compared to the reflected load current, and has negligible effect on the transformer utilization. So the transformer core aud windings are effectively utilized in modern forward converters.

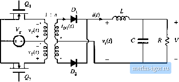
6,3.3 Push-PuU Isolated Buck Converter

The push-pull isolated buck converter is illustrated in Fig. 6.2S. The secondary-side circuit is identical with the full- and half-bridge converters, with identical waveforms. The primary-side circuit contains a center-tapped winding. Transistor conducts fortitne ОТ, during the fust switching period. Transistor Qj conducts for an identical length of time during the next switching period, such that volt-second balance is maintained acro.ss the transformer primary winding. Converter waveforms are illustrated in Fig. 6.29. This converter can operate oven the entire range of duty cycles 0 < D < 1. Its conversion ratio is given by

V=nDV.

(6,38)

This converter is sometimes used in conjunction with low input voltages. It tends to exhibit low primary-

Fig. 6.28 Push-pull i,solated buck cotiveriei.




1 2 3 4 5 6 7 8 9 10 11 12 13 14 15 16 17 18 19 20 21 22 23 24 25 26 27 28 29 30 31 32 33 34 35 36 37 38 39 40 41 42 43 44 45 46 47 48 49 50 51 52 [ 53 ] 54 55 56 57 58 59 60 61 62 63 64 65 66 67 68 69 70 71 72 73 74 75 76 77 78 79 80 81 82 83 84 85 86 87 88 89 90 91 92 93 94 95 96 97 98 99 100 101 102 103 104 105 106 107 108 109 110 111 112 113 114 115 116 117 118 119 120 121 122 123 124 125 126 127 128 129 130 131 132 133 134 135 136 137 138 139 140 141 142 143 144 145 146 147 148 149 150 151 152 153 154 155 156 157 158 159 160 161 162 163 164 165 166 167 168 169 170 171 172 173 174 175 176 177 178 179 180 181 182 183 184 185 186 187 188 189 190 191 192 193 194 195 196 197 198 199 200 201 202 203 204 205 206 207 208 209 210 211 212 213 214 215 216 217 218 219 220 221 222 223 224 225 226 227 228 229 230 231 232 233 234 235 236 237 238 239 240 241 242 243 244 245 246 247 248 249 250 251 252 253 254 255 256 257 258 259 260 261 262 263 264 265 266 267 268 269 270 271 272 273 274 275 276 277 278 279 280 281 282 283 284 285 286 287 288 289 290 291 292 293 294 295 296 297 298 299 300