Строительный блокнот  Introduction to electronics 

1 2 3 4 5 6 7 8 9 10 11 12 13 14 15 16 17 18 19 20 21 22 23 24 25 26 27 28 29 30 31 32 33 34 35 36 37 38 39 40 41 42 43 44 45 46 47 48 49 50 51 52 53 54 55 56 57 58 59 60 61 62 63 64 65 66 67 68 69 70 71 72 73 74 75 76 77 78 79 80 81 82 83 84 85 86 87 88 89 90 91 92 93 94 95 96 97 98 99 100 101 102 103 104 105 106 107 108 109 110 111 112 113 114 115 116 117 118 119 120 121 122 123 124 125 126 127 128 129 130 131 132 133 134 135 136 137 138 139 140 141 142 143 144 145 146 147 148 149 150 151 152 153 154 155 156 157 158 159 160 161 162 163 164 165 166 167 168 169 170 171 172 173 174 175 176 177 178 179 180 181 182 183 184 185 186 187 188 189 190 191 192 193 194 195 196 197 198 199 200 201 202 203 204 205 206 207 208 209 210 211 212 213 214 215 216 217 218 219 220 221 222 223 224 225 226 227 228 229 230 231 232 233 234 235 236 237 238 239 240 241 242 243 244 245 246 247 248 249 250 251 252 253 254 255 256 257 258 259 260 261 262 263 264 265 266 [ 267 ] 268 269 270 271 272 273 274 275 276 277 278 279 280 281 282 283 284 285 286 287 288 289 290 291 292 293 294 295 296 297 298 299 300

[10] R. Redl, В. Mdlnar, iind N. Sokal, Class E Resaniinl Regulated Dc-De Power Converters: Analysis of Operadon and Experimental Results ut 1.5 MHz, JEEE Transaawns on Power Elearonics, 19S6, Vol. 1, No. 2, pp, 111-120.

[11] N. Sokal anJ A. Sokal, Class-E, A New Class of High Efficieney TuneJ Single-Ended Switching Power Amplifiers, ;£££JoH;iifi/of ioM Slale Circmis, Vol. SC-IO, June 1975, pp, I6il-I76.

[12] F. H. Raab, Idealized Operation of Cla.ss-E Tuned Power Amplifier, JEEE Transacnons on Circuits and Systems, Vol, 24, No. 12, December 1977, pp. 725-735,

[13] K. D. T Not). Generalization of Resonani Switches and Quasi-Resonant Dc-Dc Converters, IEEE Power Electronics Specialists Conference, 19S7 Record, pp, 395-403.

[14] V. Vorperian, Quasi-Square WaveConverlers: Topologies and Analysis, IEEE Transactions on Power £/ftfronif.!. Vol. 3, No. 2, April 1988, pp, 1*3-191,

[15] D. MaXSIMOVIC, Design ofthe Zero-Voltage-Switching Quasi-Square-Wave Resonant Swileh, /£££ Power Electronics Specialists Conference, 1993 Record, pp. 323-329.

[16] 0. D. PArrEESo anJ D. M Divak, Pseiido-Resonant Full-Bridge Dc-Dc Converter, f£££ Power Electronics Specialists Conference, 1987 Record, pp. 424-430.

[17] Y. Janc; and R. Erickson, New Quasi-Square Wave and Multi-Resonant Integrated Magnetic Zero Vohage Switching Converters, IEEE Power Electronics Specialists Conference, 1993 Record, pp. 721-727.

[18] V. Vorperian, R. Tymerski, and F. C. Lee, Equivalent Circuit Models for Resonant and PWM Switches, IEEE Transactions on Power Electronics. Vol. 4, No. 2, April 1989, pp. 205-214.

[19] S. Feeeland and R D. Middlebrook, A UnifieJ Analysis of Converters with Resonant Switches , IEEE Power Electronics Specialists Conference. 19S7 Record, pp. 20-30.

[20] A. WiTULSKi and R. Erickson, Extension of State-Space Averaging to Resonant Switches-and Beyond, IEEE Traactions on Power Electronics, Vol. 5, No. I, pp. 98-109, January 1990.

[21] D. MAK.SlMOVlri and S. CUK, AGeneral Approach lo Synthesis and Analysis of Quasi-ResonantConvert-eis, IEEE Tran.tactiotis on Power Electronics, Vol. 6. No. 1. January 1991, pp. I27-14C.

[22] R. Erickson, A. Hernasdez, A. Witulski, and R. Xu, A Nonlinear Resonant Switch, /£££ Transactions on Power Electronics. Vol. 4, No. 2, April 1989, pp. 242-252.

[23] 1. Barbi, D. Martins, and R. do Prado, Effects of Nonlinear Resonant Inductor on the Behavior of Zero-Voltage Switching Quasi-Resonant Converters, IEEE Power Electronics Specialists Conference, 1990 Record, pp. 522-527.

[24] S. Freeland, 1. A UnifieJ Analysis of Converters wilh Resonant Switches, II. Input-Cunent Shaping for Single-Phase Ac-Dc Power Converters, Ph.D. Thesis, California Institute ofTechnology, 1988.

[25] R. Fisher. K. Ncjo, and M. Kuo, A 500 kHz, 250 W Dc-dc Converter with Multiple Outputs Controlled hy Phase-Shifted PWM and Magnetic Amplifier.s, Proceedings of High Freijuency Power Conveision Conference, pp. 100-110, May 19SS.

[26] L. Mweeke, C. WRiGirr, and M. Sciilecut, A 1 kW, 500 kHz Front-End Converter for a Distributed



Snft Switching

Power Supply System/* IEEEAf?p!ied Power Electrotiics Conference, 1989 Record, pp. 42332.

[27] R. Redl, L. Belogii, and D. Edward.4, -Oplimum ZVS Full-Bridge DC/DC Converter with PWM Phase-Shift Control: Analysis, Design Considerations, and E.vperimental Results, IEEE Applied Power Electronics Conference, \Ш Record, pp. 159-165.

[28] j. G. Cho, j. a. Sabate, and F. C. Lee, Novel Full Bridge Zero-Voltage-Transition PWM DCDC Converter for High Power Applications, IEEE Applied Power Electronics Conference, 1994 Record, pp. 143-149.

[29] P. ViKClARELU, Optimal Resetting of the Transformers Core in Single-Ended Forward Converters, Rei.ssued U.S. Patent No, Re. 36,098, Feb, 16, 1999.

[30] C. Dliarte and 1. Barbi, A Family of ZVS-PWM Active-Clamping Dc-lo-Dc Converters: Synthesis, Analysis, Design, and Experimentation, IEEE Transactions on Circuits and Systems-Fundamental Theory and Applications. Vol. 44, No. s, pp. 698-704, Aug. 1997.

[31] P. Heng and R. Oruganti, Family of Two-Switch Soft-Switched Asymmetrical PWM Dc/Dc Convert-er>i, IEEE Power Electronics Specioliits Conference, 1994 Record, pp. 85-94.

[32] R. DEEЮcker and j. Lyons, The Auxdiary Resonani Commulaied Pole Converter, IEEE Industry Applications Society Annual Meeting. 1990 Record, pp. 1228-1235.

[33] R. Teicumann and s. Bernet, Investigation and Compajison of Auxiliary Resonant Commulaied Pole Converter Topologies, IEEE Power Elecwnics Speciali.ifs Conference, 199S Record, pp. 15-23, May 1998.

[34] W. McMuRRAY, Resonant Snubbers wilh Auxiliary Devices, IEEE Transactions on Industry Applications, VoL 29, No. 2, pp. 355-361, 1993.

Probleivis

20.1 In the forward converter of Fig. 20.43, L and С are large filter elenients while L, L, and C have rela-

tively small values. The transformer reset mechaniiim is nol shown; lor this problem, you may assume that the transformer is ideal.

(ТЛЛГ

I :я

ТППГ

Trey

Fig, 20,43 Forward converter with resonant switch, Problem 20.1. (a) Classify the re.sOnant switch.



(Ь) Which semicfxidtictor device ; operate with zero-voltage switching? With zero-current switching?

{c) What is the resonant frequency?

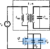
20.2 In the high-voltage converter of Fig. 20.44, capacitor С is relatively large in value. The transformer

model includes an ideal l:n transformer, in conjunction with magnetizing inductance L (referred to the primary side) and winding capacitance C (referred to the secondжy side). Transistor Q and diode exhibit total outpul eapacilanee C, while the output capacitance of diode is C, Other nonidealities, such as transformer leakage inJuclance, ean be ignored. The resonant switch is well-designed, sueh lhat all elements listed above contribute to ideal operation of the converter and resonant switch.


Fig. 20.44 High-voltage dc-de converter containing a resonant switch network. Problem 20.2.

<a) What type of resonant switch is employed? What is the parent FWM converter? (b) Which semiconduclor devices operate wilh zero-voltage switching? With zero-current switching?

(t) What is the tank resonant frequency?

(d) Sketch the waveforms ot the transistor drain-to-source vohage and transformer magnetizing Current.

20J In the transformer-isolated dc-dc converter of Fig, 20.45, capacitors Cj and and inductors t[ and L/j

are relatively laie in value, so that ihey have small switching ripples. The transformer model indudes an ideal l:n transformer, in conjunction with magnetizing inductance (referred to the primary side) and leakage inductances L, and tj as shown, Transistor exhibits ouiput capacitances C while the output eapacilance (jf diode is C, MOSFET Q] ct>ntains a boJy Jitide {not e\plieitly shown). Other nonidealities can be ignored. The resonant switch is well-designed, such that all eleinents listed above eimtribule lo ideal operation ofthe eonverter and resonant switch.

(a) What type of resonani switch is employed? What is the parent PWM converter?

(b) Which semiconductor devices operate wilh zero-voltage switching? With zero-currenl switching?

204 Л buck-boost converter is realized using a half-w-avt ZCS quasi-resonant switch. The load resistanta tias value Л, the input voltage has value V, and the converter switching frequency is f..

(a) Sketch the circuit schematic.

(b) Write the complete system of equations that can be solved to determine the outpul voltage V, in terms ofthe quantities hsted above and the component values. It is not necessar> lo actually solve yuur equations. You may also quote results listed in this textbook.



1 2 3 4 5 6 7 8 9 10 11 12 13 14 15 16 17 18 19 20 21 22 23 24 25 26 27 28 29 30 31 32 33 34 35 36 37 38 39 40 41 42 43 44 45 46 47 48 49 50 51 52 53 54 55 56 57 58 59 60 61 62 63 64 65 66 67 68 69 70 71 72 73 74 75 76 77 78 79 80 81 82 83 84 85 86 87 88 89 90 91 92 93 94 95 96 97 98 99 100 101 102 103 104 105 106 107 108 109 110 111 112 113 114 115 116 117 118 119 120 121 122 123 124 125 126 127 128 129 130 131 132 133 134 135 136 137 138 139 140 141 142 143 144 145 146 147 148 149 150 151 152 153 154 155 156 157 158 159 160 161 162 163 164 165 166 167 168 169 170 171 172 173 174 175 176 177 178 179 180 181 182 183 184 185 186 187 188 189 190 191 192 193 194 195 196 197 198 199 200 201 202 203 204 205 206 207 208 209 210 211 212 213 214 215 216 217 218 219 220 221 222 223 224 225 226 227 228 229 230 231 232 233 234 235 236 237 238 239 240 241 242 243 244 245 246 247 248 249 250 251 252 253 254 255 256 257 258 259 260 261 262 263 264 265 266 [ 267 ] 268 269 270 271 272 273 274 275 276 277 278 279 280 281 282 283 284 285 286 287 288 289 290 291 292 293 294 295 296 297 298 299 300