Строительный блокнот  Introduction to electronics 

1 2 3 4 5 6 7 8 9 10 11 12 13 14 15 16 17 18 19 20 21 22 23 24 25 26 27 28 29 30 31 32 33 34 35 36 37 38 39 40 41 42 43 44 45 46 47 48 49 50 51 52 53 54 55 56 57 58 59 60 61 62 63 64 65 66 67 68 69 70 71 72 73 74 75 76 77 78 79 80 81 82 83 84 85 86 87 88 89 90 91 92 93 94 95 96 97 98 99 100 101 102 103 104 105 106 107 108 109 110 111 112 113 114 115 116 117 118 119 120 121 122 123 124 125 126 127 128 129 130 131 132 133 134 135 136 137 138 139 140 141 142 143 144 145 146 147 148 149 150 151 152 153 154 155 156 157 158 159 160 161 162 163 164 165 166 167 168 169 170 171 172 173 174 175 176 177 178 179 180 181 182 183 184 185 186 187 188 189 190 191 192 193 194 195 196 197 198 199 200 201 202 203 204 205 206 207 208 209 210 211 212 213 214 215 216 217 218 219 220 221 222 223 224 225 226 227 228 229 230 231 232 233 234 235 236 237 238 239 240 241 242 243 244 245 246 247 248 249 250 251 252 253 254 255 256 257 258 259 260 261 262 263 [ 264 ] 265 266 267 268 269 270 271 272 273 274 275 276 277 278 279 280 281 282 283 284 285 286 287 288 289 290 291 292 293 294 295 296 297 298 299 300

, 0.5

0.4

, - 0.3

F = 0.5

Fig. 2035 Conveivsiori ratio ju, а.ч a fuiictioti of duty cycle D and nurmalized load tiirrent J, fur the twu-switcli QSW-ZV.S switch illustrated in Fig. 20.33. Curves are plotted fur coitstant-frequency coittrol wiih F - O.S. The dashed line is the /ern-voliage switching Iwundary,

of transistors Qj and Q, as illustrated.

Characteristics of the two-switch QSW-ZVS switch network ;ue plotted in Fig. 20.35, for the case of constant switching frequency at F = 0.5. The boundary of zero-voltage switching is also illustrated. Operation at a lower value of F causes the ZVS boundary to be extended to larger values of/, and to values of p. that more closely approach the extreme values = 0 and /J = 1.

To the commutation intervals can be neglected, one would expect that the switch conversion ratio /lis simply equal to the duty cycle D. It can be seen from Fig. 20.35 that this is indeed the case. The characteristics are approximately horizontal lines, nearly independent of load current 7.

Zero-voltage .switching quasi-.square wave converters exhibit very low switching loss, because all semiconductor elements operate with zero-voltage switching. In the constant-frequency case containing a synchronous rectifier, the converter behavior is nearly the same as for the hard-switched PWM case, since \L~D. The major disadvantage is the increased conduction toss, caused by the reversal of the inductor current.

20.4

SOFT SWITCHIN(; IN PWM CONVERTERS

The quasi-square wave approach of the previous section is notable because it attains zero-voltage switching without increasing the peak voltage applied to the transistor. Several related soft-switching approaches have now become popular, which also attain zero-voltage switching without increasing the transistor peak voltage stress. In this section, popular zero-voltage switching versions oftite full bridge, forward, and flyback converters, as well as the voltage-source inverter, are briefly discussed.



20.4Л The Zero-Voltage Transition Full-Bridge Converter

It is possible to obtaiti soft switching in other types of converters as well. An exatiipie is the zero-voitage transition (ZVT) convetter based on the full-bridge transformer-isolated buck converter, illustrated in Fig. 20.36 [25-28]. The transistor and diode output capticitiittces ate represented iu the figure by capacitances Cj,. Commutating indnctor L. is placed in series with the transformer; the net inductance L. includes both transformer leakage inductance and the inductance of an additional discrete element. This inductor causes the full-bridge switch tietwork to drive an effective itiductive load, and results in zero-vohage switching ofthe primary-side semiconductor devices. Although the waveforms are not sinusoidal, it can nonetheless be said that the switch tietwork output curretit Цс) lags the voltage v(/), because the zero crossings of uccur after tlie ZVS switching ttan.sitiDns Lire totnpieted.

The output voltage is controlled via phase control. As illustrated in Fig. 20.37, both halves of the bridge switch network operate with a 50% duty cycle, and the phase difference between the half-bridge switch networks is controlled. The idealized waveforms of Fig. 20.37 neglect the switching transitions, and the subintervai numbers correspond to those of the more detailed Fig. 20.38. The phase shift variable ф lies in the range 0£ф < 1, and assumes the role ofthe duty cycle d in this converter. The qnan-tity Ф is defined as

(20.67)

By volt-second baiance on the secondary-side filter inductor, the conversion ratio М{ф) is expressed as

(20.ЬЯ)

This expression neglects the lengths ofthe switching transitions.

.Although the circuit appears symmetrical, the phase-shift control scheme introduces an asymmetry that causes the two haif-bridge switch networks to behave tjuite differently during the switching transitions. During subintervals 4 and 10, energy is actively transmitted from the source through the switches and transformer. These subintervals are initiated by the switching of the half-bridge network


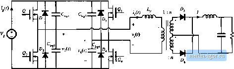
Fig. 20.36 Zero-voltage transition convener, based on the full-bridge isolated buck converter.



V4(0

а-Ф)г,/2-

Subinterval:

Conducting Qi devices: д

- v

Kig. 20,37 Iliase-shifl tontiol of the ZVT fulJ-bridge converler. Switching transitlotis arc neglected in this figure, and subinterval numbering follows Fig. 20.38,

composed of the elements Q B Q2, and ZJ, called the passive-to-activc (P~A) transition [27]. Sub-intervals 4 and 10 are tertninated by the switching of the half-bridge networlt cotnprised by the eletnents Q31 Dj, Q, and D, called the active-to-passive (A-P) transition.

The turn-on and turn-off switching processes of this converter are similar to the zero-voltage-switching turn-off process described in the previous section. Detailed primary-side waveforms are illustrated in Fig. 20.38. During subinterval 0, it conduct. !f the transformer magnetizing current Ij is negligible, then the commutating inductorcurrent is given by ijtg) = -nI, where 7 is the load current. The passive-to-active transition is initiated when transistor is tttrned off. The negative i. then causes capacitors C, and C to charge, increasing V2(r). Dttring subinterval 1, , L, Cfr and С,,2 form a resonant network that rings with approximately sinusoidal waveforms. If sufficient energy was initially stored in Z ., then vW eventually reaches V terminating subinterval 1. Diode />, then clamps vf/) to during subinterval 2. Transistor 2, is ttirned on at zero voltage during subinterval 2; in practice, this is implemented by insertion of a small delay between the switching transitions of transistors q2 and Qj.

If Lj, does not initially store sufficient energy to charge the total capacitance (C + C,) irota V2 = 0 to = during subinterval 1 ,then 1*2(0 will never reach V. Switching loss will then occur when transistor 0 is turned on. This situation typically occurs at light load, where / is small. Sometimes, the design engineer may choose to simply accept this power loss; after all, other losses such as conduction loss are small at light load. An alternative is to modify the circuit to increase the energy stored in L. at



1 2 3 4 5 6 7 8 9 10 11 12 13 14 15 16 17 18 19 20 21 22 23 24 25 26 27 28 29 30 31 32 33 34 35 36 37 38 39 40 41 42 43 44 45 46 47 48 49 50 51 52 53 54 55 56 57 58 59 60 61 62 63 64 65 66 67 68 69 70 71 72 73 74 75 76 77 78 79 80 81 82 83 84 85 86 87 88 89 90 91 92 93 94 95 96 97 98 99 100 101 102 103 104 105 106 107 108 109 110 111 112 113 114 115 116 117 118 119 120 121 122 123 124 125 126 127 128 129 130 131 132 133 134 135 136 137 138 139 140 141 142 143 144 145 146 147 148 149 150 151 152 153 154 155 156 157 158 159 160 161 162 163 164 165 166 167 168 169 170 171 172 173 174 175 176 177 178 179 180 181 182 183 184 185 186 187 188 189 190 191 192 193 194 195 196 197 198 199 200 201 202 203 204 205 206 207 208 209 210 211 212 213 214 215 216 217 218 219 220 221 222 223 224 225 226 227 228 229 230 231 232 233 234 235 236 237 238 239 240 241 242 243 244 245 246 247 248 249 250 251 252 253 254 255 256 257 258 259 260 261 262 263 [ 264 ] 265 266 267 268 269 270 271 272 273 274 275 276 277 278 279 280 281 282 283 284 285 286 287 288 289 290 291 292 293 294 295 296 297 298 299 300