Строительный блокнот  Introduction to electronics 

1 2 3 4 5 6 7 8 9 10 11 12 13 14 15 16 17 18 19 20 21 22 23 24 25 26 27 28 29 30 31 32 33 34 35 36 37 38 39 40 41 42 43 44 45 46 47 48 49 50 51 52 53 54 55 56 57 58 59 60 61 62 63 64 65 66 67 68 69 70 71 72 73 74 75 76 77 78 79 80 81 82 83 84 85 86 87 88 89 90 91 92 93 94 95 96 97 98 99 100 101 102 103 104 105 106 107 108 109 110 111 112 113 114 115 116 117 118 119 120 121 122 123 124 125 126 127 128 129 130 131 132 133 134 135 136 137 138 139 140 141 142 143 144 145 146 147 148 149 150 151 152 153 154 155 156 157 158 159 160 161 162 163 164 165 166 167 168 169 170 171 172 173 174 175 176 177 178 179 180 181 182 183 184 185 186 187 188 189 190 191 192 193 194 195 196 197 198 199 200 201 202 203 204 205 206 207 208 209 210 211 212 213 214 215 216 217 218 219 220 221 222 223 224 225 226 227 228 229 230 231 232 233 234 235 236 237 238 239 240 [ 241 ] 242 243 244 245 246 247 248 249 250 251 252 253 254 255 256 257 258 259 260 261 262 263 264 265 266 267 268 269 270 271 272 273 274 275 276 277 278 279 280 281 282 283 284 285 286 287 288 289 290 291 292 293 294 295 296 297 298 299 300

Fig. 19.23 Construction of Bode diagrams of Zf,s) and H(s) for the pariLe] resonant converter.


II ЯII

(19.31)

where FfJ/.

At resonance, the conversion ratio is

(19.32)

The actual pealt value of M occurs at a switching frequency slightly below the resonant frequency, with pealt M slightly greater than Eq. (19.32). Provided that the load resistance R is greater than the tanii characteristic impedance R, the parallel resonant converter can produce conversion ratios both greater than and less than one. In fact, the ideal parallel resonant converter can prtxiuce conversion ratios approaching infinity, provided that the output current is limited to values less than VJR.. Of course, losses limit the tnaxitnum output voltage that can be produced by practical converters.

19.3

SOFT SWITCHINC;

As mentioned previously, the soft-switching phenomena Itnown as zero-current switching (ZCS) and zero-voltage switching (ZVS) can lead to reduced switching loss. When the turn-on and/or turn-off Iran-




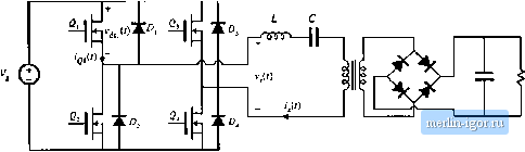
Fig. 19,24 Л serks resonant converter incorporating a full-bridge switch networlt.

sitions of a semiconductor switciiing device coincide with the zero crossings of the applied waveforms, some of the switching loss mechanisms discussed in Section 4.3 are eliminated. In converters containing MOSFETs and diodes, zero-voitage switching mitigates the switching loss otherwise caused by diode recovered charge and semiconductor output capacitance. Zero-current switching can mitigate the switching loss caused by current tailing in IGBTs and by stray inductances, Zero-current switching can also be used for commutation of SCRs. In the majority of appUcations, where diode recovered charge and semiconductor output capacitances are the dominant sources of PWM switching loss, zero-voltage switching is preferred.

19.3.1 Operation of the Full Bridge Below Resonance: Zero-Current Switching

When the series and parallel resonant inverters and dc-dc converters are operated below resonance, the zero-current switching phenomenon can occur, in which the circuit causes the transistorcurrent to go to zero before the transistor is turned off. Let us consider the operation of the full bridge switch network of the series resonant converter in detail.

A full bridge circuit, realized using power MOSFETs and antiparallel diodes, is shown in Fig.

19.24. The switch output voltage v,.(t), and its fundamental component vit), as well as the approximately sinusoidal tank current waveform /,(0, are illnstrated in Fig. 19.25. At frequencies less than the tank resonant frequency, the input impedance of the series resonant tank network Zf{s) is dominated by the tank capacitor impedance [see Fig. 19.1й(а)]. Hence, the tank presents an effective capacitive load to the bridge, and switch current IXO leads the switch voltage fundamental component iviWi as shown in Fig.

19.25. In consequence, the zero crossing of the current waveform occurs before the zero crossing of the voltage !>,.(/).


Conducting devices:

Hard S fr Haid Soft vata-imot uim-offuf tum-un of turn-off of 0,.0. Q,.Q, Q.,0> Q Q,

Fig, 19,25 Switch rretwork outpui wavefomis for the series resonant conveiter, operated below resonance in the A: = 1 CCM. Zcro-currctit switching aids the transistor titni-olf process.



Fig. li .26 Iransisuir Qi vuUage and ctirrent wave-fonriB, for operntien or the series resonani convertei below resonance in the к = 1 CCM.


Conducting devices:

Hard turn-on Soft tum-ufT

ofo,.e ofi? e.

For the haif cycle 0 < f < TJ2, the switch voltage v, is equal to + . For 0 < f < fp, the curretit ,(Ois positive and transistors Qj and conduct. Diodes Dj and 0 conduct when f/O is negative, over theinterval l<l < TJ2. The situation during TJ2 <t<T is symmetrical. Since leads v,j(t). the transistors conduct before their respective antiparailel diodes. Note that, at any given time during the condiictioninteival I Ti transistor Qj can be turned off without incurring switching loss. The circuit naturally causes the transistur turn-off transition to be lossless, and long turn-off switching times can be tolerated.

1q general, zero current switching can occur when the resonaat tank presents an effective capacitive load to the switches, so that the switch current zero crossings occur before the switch voltage zero crossings. In the bridge configuration, zero current switching is characterized by the half-bridge conduction .sequence Q-f)j-Q2-D2, such that the transistors are turned off while their respective antiparailel diodes conduct. It is possible, if desired, to replace the transistors with naturally commutated thyii.stors whenever the zero-current-switching property occurs at the turn-off transition.

The transistor turn-on transition in Fig. 19.2Й is similar to that of a PWM .switch: it is hard-switched and is not lossless. During the turn-on transition of Q,. diode must turn off. Neither the transistor current nor the transistor voltage is zero. Qj passes thiough a period of high instantaneou.s power dissipation, and switching loss occurs. As in the PWM case, the rever.se recovery current of diode i>2 flows through Q,. This current spike can be the largest component of switching lo.ss. In addition, the energy .stored in the drain-to-source capacitances of and t*; and in the depletion layer capacitance of D is lost when Qj turns on. The.se turn-on tran.sition switching loss mechanisms can be a major disadvantage of zero-current-switching schemes. Since zero-current switching dt>es not addre.ss the switching loss mechanisms that dominate in MOSFET converters, improvements in efficiency ate typically not observed.

19.3.2 (Iperation of the Full Bridge Above Resonance: Zero-Voltage Switching

When the series resonant converter is operated above resonance, the zero-voltage switching phenomenon can occur, in which the circuit causes the transistor voltase to become zero before the controller turns the



1 2 3 4 5 6 7 8 9 10 11 12 13 14 15 16 17 18 19 20 21 22 23 24 25 26 27 28 29 30 31 32 33 34 35 36 37 38 39 40 41 42 43 44 45 46 47 48 49 50 51 52 53 54 55 56 57 58 59 60 61 62 63 64 65 66 67 68 69 70 71 72 73 74 75 76 77 78 79 80 81 82 83 84 85 86 87 88 89 90 91 92 93 94 95 96 97 98 99 100 101 102 103 104 105 106 107 108 109 110 111 112 113 114 115 116 117 118 119 120 121 122 123 124 125 126 127 128 129 130 131 132 133 134 135 136 137 138 139 140 141 142 143 144 145 146 147 148 149 150 151 152 153 154 155 156 157 158 159 160 161 162 163 164 165 166 167 168 169 170 171 172 173 174 175 176 177 178 179 180 181 182 183 184 185 186 187 188 189 190 191 192 193 194 195 196 197 198 199 200 201 202 203 204 205 206 207 208 209 210 211 212 213 214 215 216 217 218 219 220 221 222 223 224 225 226 227 228 229 230 231 232 233 234 235 236 237 238 239 240 [ 241 ] 242 243 244 245 246 247 248 249 250 251 252 253 254 255 256 257 258 259 260 261 262 263 264 265 266 267 268 269 270 271 272 273 274 275 276 277 278 279 280 281 282 283 284 285 286 287 288 289 290 291 292 293 294 295 296 297 298 299 300