Строительный блокнот  Introduction to electronics 

1 2 3 4 5 6 7 8 9 10 11 12 13 14 15 16 17 18 19 20 21 22 23 24 25 26 27 28 29 30 31 32 33 34 35 36 37 38 39 40 41 42 43 44 45 46 47 48 49 50 51 52 53 54 55 56 57 58 59 60 61 62 63 64 65 66 67 68 69 70 71 72 73 74 75 76 77 78 79 80 81 82 83 84 85 86 87 88 89 90 91 92 93 94 95 96 97 98 99 100 101 102 103 104 105 106 107 108 109 110 111 112 113 114 115 116 117 118 119 120 121 122 123 124 125 126 127 128 129 130 131 132 133 134 135 136 137 138 139 140 141 142 143 144 145 146 147 148 149 150 151 152 153 154 155 156 157 158 159 160 161 162 163 164 165 166 167 168 169 170 171 172 173 174 175 176 177 178 179 180 181 182 183 184 185 186 187 188 189 190 191 192 193 194 195 196 197 198 199 200 201 202 203 204 205 206 207 208 209 210 211 212 213 214 215 216 217 218 219 220 221 222 223 224 225 226 227 228 [ 229 ] 230 231 232 233 234 235 236 237 238 239 240 241 242 243 244 245 246 247 248 249 250 251 252 253 254 255 256 257 258 259 260 261 262 263 264 265 266 267 268 269 270 271 272 273 274 275 276 277 278 279 280 281 282 283 284 285 286 287 288 289 290 291 292 293 294 295 296 297 298 299 300

R < (0.077) R, = (0.077) (27.4 Q) = 2.11 ii (18.147)

Of course, other cotiverter losses have tiot beeti accounted for, which will reduce the efficiency.

It is instrttctive to compare this result with that obtained tising the expressions for rms current from Section 18.5. The ms uansistor current oflhe ideal CCM btX)St converter is given by liq. (18.119). The rms input cttrrent will be etittai to P.JV = (526 W)/(120 V) = 4.38 A. Hence, Etj. (18.119) predicts an rms transistor ctinent of

Ql a. - UicmsSJ у

.л IK л. /, 8 (120 V) VI (18.148)

= (4,38 A)

= 3.48 Л

Hence, the MOSFET on-resistance should be chosen according to

<.(326W)450OW) 3

!l (4.38 A)

This calculadon is approximate because Eq. (18.119) was derived using the wavefonns of the ideal (toss-less) converter. Nonetheless, it gives an answer that is very close to the more exact result ofEq. (18.147). We would expect this approximate approach to exhibit gotxl accuracy in this example, because of the high 95% efficiency.

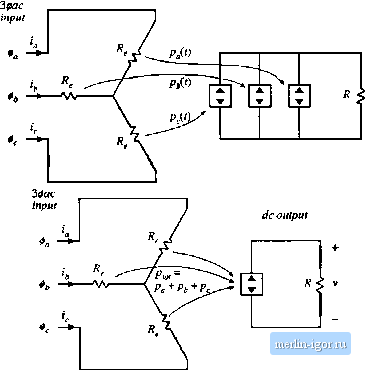
18.7 IDEAL THREE-PHASE RECTIFIERS

The single-phase ideal rectifier concepts of the previous sections can be generalized to cover ideal three-phase rectifiers. Figure 18.38(a) illustrates the properties of an ideal three-phase rectifier, which presents a balanced resistive load to the utility system. A three-phase converter system is controlled such that resistor emulation is obtained in each input phase. The rectifier three-phase input port can then be modeled by per-phase effective resistances R, as illustrated in Fig. 18.38(a). The instantaneous powers apparently constimed by these resistors are uansfetred to the rectifier dc output port. The rectifier output port can thetefore be modeled by power sources etitia! to the instantaneou. ; powers flowing into the effective resistances R. It is irrelevant whether the three power sources are connected in series or in parallel; in either event, they can be combined into a single source equal to the total three-phase instantaneous input power as illustrated in Fig. 18.38(b).

If the three-phase ac input voltages are

- sin [tut)

vj (0 = Vm sin (ш; - 120°) (18.150)

vJi) = V sin(u]t-240)

dien the instantaneous powers flowing into the phase , h, and с effective resistances R are



Lo

R. ~

1 - cos [201/]

(1S.151)

Each instantaneous phase power contains a dc term Vl,/(2R,.), and a second-harmonic term. The total instantaneous three-phase power is

(1H.I52)

This is the instantaneous power which flows out of the rectifier dc output port. Note that the second harmonic terms add to zero, such that the reciifier instanianeous outpui power is constant. This is a consequence of the fact thai the instanianeous power tlow in any balanced three-phase ac system is constant. So, unlike the single-phase case, the ideal three-phase rectifiercan supply constant instantaneous power to adc load, without the need for internal low-frequency energy storage.

dc output


Fig. 1Я.38 development of tlie ideal (hicu-phiiso ruclitier mudol: (a) three ideal single-pha.sc leoiifiers, (h) combination of the three power sources into an equivalent siiigle power stance.



input

ДО i 1

*о - -ТПЛГ-+

0. -►-ПЛПГ!-1

до


/*.7 Ideal Tiiree-Fiiase Reaifiers 687

(fc ouiput

Fig. 18.39 Riiost-type 30ai;-(lc PWM rectitier.

A variety of 30ac-dc PWM rectifiers are ktiowti; a few of the many references on this subject are listed in Ihe references [42-59]. The most well-known topology is the three-phase ac-dc boost rectifier, illustrated in Fig. 18.39. This converter requires six SPST current-bidirectional two-quadrant switches. The inductors and capacitor filter the high-frequency switching harmonics, and have little influence on the low-frequency ae components of the waveforms. The switches of each phase are con-Uoiied to obtain input resistor emulation, either with a multiplying controller scheme similar to Fig. 18.5. or with some other approach. To obtain undistorted line cutrent waveforms, the dc output voltage V must be greater than or equal to the peak line-to-line ac input voltage V. In a typical realization, V is somewhat greater than Vj. This converter resembles the voltage-source inverter, discussed briefly in Chapter 4, except that the converter is operated as a rectifier, and the converter inpul currents aie controlled via high-freqttency pulse-width modulation.

The tliree-phase boost rectifier of Fig. 18.39 has several attributes thai make it the leading candidate for most 30ac-dc rectifier applications. The ac input currents are nonpulsating, and hence very little additional input EMI filtering is required. As in the case of the single-phase boost rectifier, the rms transistor currents and also Ihe condttction losses of the three-phase boost rectifier are low relative to other 30ac-dc topologies such as the currenl-source inverter. The converter is capable of bidirectional power flow. A disadvantage is the requirement for six active devices: when compared with a dc-dc converter of similar ratings, the active semiconductor utilization (discussed in Chapter 6) is low. Also, since the reclifier has a boost characteristic, it is not suitable for direct replacement of traditional buck-type phase-controlled rectifiers.

The literature coniains a wide variety of schemes for controlling the switches of a six-swilch three-phase bridge neiwork. which are applicable for control of the switches of Fig. 18.39. The basic operation of the converter can be most easily understood by assuming that the switches ate controlled via simple sinusoidal pulse-width modulation. Transistor is driven with duty cycle d(t), while transistor is driven by the complement of d{t), or rf,(t) = 1 - d,(.t). Transistors and Qj are driven with duty cycles djit) and dit), respectively, and transistors Q-,and are driven with duty cycles dU) and d/CO. respectively. The switch volte waveforms of Fig. 18.40 are obtained. The average switch voltages are



1 2 3 4 5 6 7 8 9 10 11 12 13 14 15 16 17 18 19 20 21 22 23 24 25 26 27 28 29 30 31 32 33 34 35 36 37 38 39 40 41 42 43 44 45 46 47 48 49 50 51 52 53 54 55 56 57 58 59 60 61 62 63 64 65 66 67 68 69 70 71 72 73 74 75 76 77 78 79 80 81 82 83 84 85 86 87 88 89 90 91 92 93 94 95 96 97 98 99 100 101 102 103 104 105 106 107 108 109 110 111 112 113 114 115 116 117 118 119 120 121 122 123 124 125 126 127 128 129 130 131 132 133 134 135 136 137 138 139 140 141 142 143 144 145 146 147 148 149 150 151 152 153 154 155 156 157 158 159 160 161 162 163 164 165 166 167 168 169 170 171 172 173 174 175 176 177 178 179 180 181 182 183 184 185 186 187 188 189 190 191 192 193 194 195 196 197 198 199 200 201 202 203 204 205 206 207 208 209 210 211 212 213 214 215 216 217 218 219 220 221 222 223 224 225 226 227 228 [ 229 ] 230 231 232 233 234 235 236 237 238 239 240 241 242 243 244 245 246 247 248 249 250 251 252 253 254 255 256 257 258 259 260 261 262 263 264 265 266 267 268 269 270 271 272 273 274 275 276 277 278 279 280 281 282 283 284 285 286 287 288 289 290 291 292 293 294 295 296 297 298 299 300