Строительный блокнот  Introduction to electronics 

1 2 3 4 5 6 7 8 9 10 11 12 13 14 15 16 17 18 19 [ 20 ] 21 22 23 24 25 26 27 28 29 30 31 32 33 34 35 36 37 38 39 40 41 42 43 44 45 46 47 48 49 50 51 52 53 54 55 56 57 58 59 60 61 62 63 64 65 66 67 68 69 70 71 72 73 74 75 76 77 78 79 80 81 82 83 84 85 86 87 88 89 90 91 92 93 94 95 96 97 98 99 100 101 102 103 104 105 106 107 108 109 110 111 112 113 114 115 116 117 118 119 120 121 122 123 124 125 126 127 128 129 130 131 132 133 134 135 136 137 138 139 140 141 142 143 144 145 146 147 148 149 150 151 152 153 154 155 156 157 158 159 160 161 162 163 164 165 166 167 168 169 170 171 172 173 174 175 176 177 178 179 180 181 182 183 184 185 186 187 188 189 190 191 192 193 194 195 196 197 198 199 200 201 202 203 204 205 206 207 208 209 210 211 212 213 214 215 216 217 218 219 220 221 222 223 224 225 226 227 228 229 230 231 232 233 234 235 236 237 238 239 240 241 242 243 244 245 246 247 248 249 250 251 252 253 254 255 256 257 258 259 260 261 262 263 264 265 266 267 268 269 270 271 272 273 274 275 276 277 278 279 280 281 282 283 284 285 286 287 288 289 290 291 292 293 294 295 296 297 298 299 300


Fig. 3.32 Nonideal hock converter, Problem 3.5.

3.5 In the buck convener of Fig. 3.32, the MOSFET has on-resislante and the diiide forward vnhage

drop tan be modeled by a consiam voltage source t . All other losses tan be neglected.

(a) Derive a complete equivalent tirctiit model for Ihi s converter.

(b) Solve your model to find the oulpui voltage V.

(c) Derive an expression for ihe efficiency. Manipulate your expression into a form similar lo Eq. (3.35).

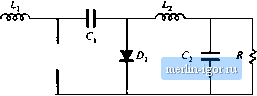
3.S To reduce the switching harmonics present in the input current ofaceruin buck convener, an inptil filter

is added as shown in Fig. 3.33. Inductors L[ and contain winding resistances and Sj fespee-tively. The MOSFET ha.s un-resistance and the diode lorward voltage drop can be modeled by a constant vtdlage Vy plus a resistor All other losses can be ignored.


Fig. 3.33 Buck convener with input filter, Problem 3,6.

Derive a complete ecuivalenL circuit model Itjr this tircLiil.

(b) Solve ytjur model U) linJ the dc ouLpul volltige V.

(c) Derive iin expression for the efficienty. ManipLLldle yoLir expression into a lorni similtirto Eq. (3.35-).

A 1.5 V battery is to be used to power a 5 V, 1 A load. It has been decided lo use a buck-boost converter in this application. A suitable transistor is found with an on-resistance of 35 m£2, and a Scholtky diode is found wilh a forward drop of 0.5 V. The on-resistance of the Schouky ditide may be ignored. The power stage schematic is shown in Fig. 3.34.

-1-W-


li; 5V < Load

= 40 кНг

Fig. 3.34 Nonideal buck-boost converter powering a 5 V load from a 1.5 V battery. Problem 3.7



Problems

(с) (d)

Derive an equivalenl tirtiiit lhal models thede properties of ihis eonverler. IncluJe the iransislur iind Jiode eonJutlioD losses, as well as the inJueliir copper loss, bnl ignore all other sources of kiss. Your moJel shuLild correcdy describe the converter Jc input port.

Il is Jesired thai the converter operate with at least 70% efliciency under nominal conJilions (i.e., when the inpiiL voltage i.s 1.5 V and the oulpiil is 5 V al 1 A). How large can the inJuclor winding resistance be? At what July cycle will the converter then operate?/Voff: there is an easy way and a not-so-easy way lo analylically solve this part.

For your design ofpart (h), compute the power loss in each element.

Plot [he converter outpLLl voltage and efficiency over the range 0 < 1) < 1, using [he value of

inductor winding resistance which you selected in part (b).

Discuss your pkn t)f part (d). Does it behave as you expect? Explain.

For Problems 3.S and a transistor having an on-resislance of (),S ii is used. To simplify the problems, you may neglect all losses other than the transistor conduction loss. You may also neglect the dependence of MOSFET on-resisLance on raleJ blocking voltage. These simplifying assumptions reJuce the differences between converters, but do not change the conclusions regarding which convener performs best in the given situations.

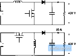
3.8 h is desire J lo interface a 500 V Jc sotnce lo а4(Ю V, 10 A loaJ using a dc-dc converter. Two possible

approaches, using buck and buck-boost converters, are illuslrateJ in Fig. 3.35. Use the assumptions described above to:

(л) Derive etuivalenl circuit models for both converters, which model the converter input and output ports as well as the transistor conduction loss.

Delermine the duly cycles that cause Ihe converters to operate with the specified conditions. Compare the transistor conJuclion losses and efficiencies of Ihe two approaches, and Conclude which converter is better suited lo the specified applitalion.

500 v


500 v

Fig, 3JS Problem 3.S: interfacing a 500 V source to a 400 V load, using (a) a buck convener, (b) a buck-boost converter

3.9 It is desired to interface a 300 V battery lo a 400 V, 10 A load using a dc-dc converter. Two possible

approaches, using btjosl and buck-boost converters, are illustrated in Fig. 3.36. Using the assumptions described above (before Problem 3.8), determine the efficiency and power loss of each approach. Which converter is better for this application?



10 A

300V


300V -

Fig. 3.36 Problem 3.9: intertViciiig a 300 V battery to ti 400 V bad, using: (u) a boost tunverter, (b) a buck-lioost coiivettei.

3.10 A buck ctJDverter h operated frtim the reelified 230 V at mains, such that the converter dc inptil voltage in

= 325 V ± 20%

A control circuit lulomatically adjusts the converter duly Cycle D, to maintain a constant dc oulpiil voltage t)f V = 240 V dc. The dc Itjad current / can vary over a 10:1 range:

10Л S/< 1 A

The MOSFET has an on-resi.4lance оГ U.8 li.The diode condticiion loss can be modeled by a 0.7 V source in series with a 0.2 Q resistor, All other losses can be neglected.

(a) Derive an equivalent circuit that models ihe converter input and tiulpiu ports, as vell as the loss elements described above.

(ll) Given the range of variation of and / desciibed above, over what range will the duty cycle vary?

(c) Al what operating point {i.e., al what value of Vj, and is the converter power loss the largest? What is the value of the efficiency at this opetaung point?

3.11 In the tuk converter of Ftg. 3,37, the MOSFET has on-reststance Л and the diode has a constant forward vohage drop Vf,. All other losses can be neglected.


Fig. 3.37 Cuk Cfinverler, Problem 3,1 i.

(a) Derive an equivaleni circuit model for this converter. Suggestion: if you dont know how to handle some of the terms in your dc equatitjns, then temporarily leave them as dependent sources. A ttlOre physical representation of these terms may become apparent once dc transformers are incorporated into the model,



1 2 3 4 5 6 7 8 9 10 11 12 13 14 15 16 17 18 19 [ 20 ] 21 22 23 24 25 26 27 28 29 30 31 32 33 34 35 36 37 38 39 40 41 42 43 44 45 46 47 48 49 50 51 52 53 54 55 56 57 58 59 60 61 62 63 64 65 66 67 68 69 70 71 72 73 74 75 76 77 78 79 80 81 82 83 84 85 86 87 88 89 90 91 92 93 94 95 96 97 98 99 100 101 102 103 104 105 106 107 108 109 110 111 112 113 114 115 116 117 118 119 120 121 122 123 124 125 126 127 128 129 130 131 132 133 134 135 136 137 138 139 140 141 142 143 144 145 146 147 148 149 150 151 152 153 154 155 156 157 158 159 160 161 162 163 164 165 166 167 168 169 170 171 172 173 174 175 176 177 178 179 180 181 182 183 184 185 186 187 188 189 190 191 192 193 194 195 196 197 198 199 200 201 202 203 204 205 206 207 208 209 210 211 212 213 214 215 216 217 218 219 220 221 222 223 224 225 226 227 228 229 230 231 232 233 234 235 236 237 238 239 240 241 242 243 244 245 246 247 248 249 250 251 252 253 254 255 256 257 258 259 260 261 262 263 264 265 266 267 268 269 270 271 272 273 274 275 276 277 278 279 280 281 282 283 284 285 286 287 288 289 290 291 292 293 294 295 296 297 298 299 300