Строительный блокнот  Introduction to electronics 

1 2 3 4 5 6 7 8 9 10 11 12 13 14 15 16 17 18 19 20 21 22 23 24 25 26 27 28 29 30 31 32 33 34 35 36 37 38 39 40 41 42 43 44 45 46 47 48 49 50 51 52 53 54 55 56 57 58 59 60 61 62 63 64 65 66 67 68 69 70 71 72 73 74 75 76 77 78 79 80 81 82 83 84 85 86 87 88 89 90 91 92 93 94 95 96 97 98 99 100 101 102 103 104 105 106 107 108 109 110 111 112 113 114 115 116 117 118 119 120 121 122 123 124 125 126 127 128 129 130 131 132 133 134 135 136 137 138 139 140 141 142 143 144 145 146 147 148 149 150 151 152 153 154 [ 155 ] 156 157 158 159 160 161 162 163 164 165 166 167 168 169 170 171 172 173 174 175 176 177 178 179 180 181 182 183 184 185 186 187 188 189 190 191 192 193 194 195 196 197 198 199 200 201 202 203 204 205 206 207 208 209 210 211 212 213 214 215 216 217 218 219 220 221 222 223 224 225 226 227 228 229 230 231 232 233 234 235 236 237 238 239 240 241 242 243 244 245 246 247 248 249 250 251 252 253 254 255 256 257 258 259 260 261 262 263 264 265 266 267 268 269 270 271 272 273 274 275 276 277 278 279 280 281 282 283 284 285 286 287 288 289 290 291 292 293 294 295 296 297 298 299 300

m Boost


(c) Buck-boost


Fig. 11.25 Continued.




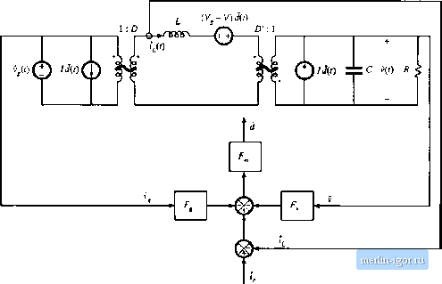
Fig. 12.16 Block diagram that models the current-programmed converters of Fig, 12.25.

r 1Л - i-i

U2.69)

Figure 12.26 illustrates replacement of the converter circuit m[>deis of Fig. 12.25 with block diagrams that cotresptuid to Eqs. (12.67) and (12.68).

The control-to-output and line-to-output transfer functions tan now be found, by manipulation of the block diagram of Fig. 12.26, or by algebraic elimination of (/and r, from Eqs. (12.66), (12.67), and (12.68), and solution for v. Substitution ofEq. (12.68) iitto Eq. (12.66) and solution for j leads to

By substituting this expression into Eq. (12.67), one obtains

(l+FG ) I

Solutioit of this equatioit for v5 leads to the desired result:

(12,70)

(12.71)

Therefore, the current-prograinined control-to-output transfer ftinction is

(12.72)



The turrent-programmed liiie-to-witpiit tnmsfer function is

--- C12-?3)

(12.74)

Equations (12.73) and (12.74) are general expressions for the important transfer functions of singie-indtic tor current-programmed converters operating in the continuous conduction mode.

12.3.3 Discussion

The controller inodel ofEq. (12.Й6) and Fig. 12.24 accounts for the differeitces between and that arise by two mechanisms: the inductorcurrent ripple and the artificial ramp. The inductorcurrent ripple causes the peak and average values ofthe inductor current to differ; this leads to a deviation between the average inductor current and i. Since the magnittide of the inductor current ripple is a function of the converter input and capacitor voltages, this mechanism introduces v, and v dependencies into the contrt)i-ler smaii-signai block diagram. Thus, the and gain bKx;ks of Fig. 12.24 model the small-signal effects of the inductor current ripple. For operation deep in continuous conduction imxle {lURT э> 1), the inductor current ripple is small. The and F, gain bloclcs can then be ignored, and the inductor current ripple has negligible effect on the current programmed controller gain.

The artificial ramp ai.so causes the average inductorcurrent to differ from t. This is mtxleled by the gain bkxk F, , which depends inversely on the artificial ramp slope M. With no artificial ramp, Л/ = 0 and tends to infinity. The current-programmed control systems of Fig. 12.25 then effectively have infinite loop gain. Since the duty cycle is finite, the signal at the input to the F, bkx;l<; (£&f, ) must tend to zero. The bloclc diagram then predicts that

f = 0 = -b.-FA-F.S (12.75)

In the case of negligible indiictorcurrentrippie {F - * 0 and F -* 0), this equation further reduces to

0 = f,-,\ (12.76)

This coincides with the simple approximation employed in Sectitm 12.2. Hence, the transfer functions predicted in this sectitm reduce to the results [)f Sectitm 12.2 when there is no artificial ramp tuid negligible inductor current ripple. In the limit when F, F 0, and F -* 0, the controi-to-output transfer function (12.73) reduces to

lim Ga.) = (12.77)

and the iine-tti-output transfer functitm reduces to



1 2 3 4 5 6 7 8 9 10 11 12 13 14 15 16 17 18 19 20 21 22 23 24 25 26 27 28 29 30 31 32 33 34 35 36 37 38 39 40 41 42 43 44 45 46 47 48 49 50 51 52 53 54 55 56 57 58 59 60 61 62 63 64 65 66 67 68 69 70 71 72 73 74 75 76 77 78 79 80 81 82 83 84 85 86 87 88 89 90 91 92 93 94 95 96 97 98 99 100 101 102 103 104 105 106 107 108 109 110 111 112 113 114 115 116 117 118 119 120 121 122 123 124 125 126 127 128 129 130 131 132 133 134 135 136 137 138 139 140 141 142 143 144 145 146 147 148 149 150 151 152 153 154 [ 155 ] 156 157 158 159 160 161 162 163 164 165 166 167 168 169 170 171 172 173 174 175 176 177 178 179 180 181 182 183 184 185 186 187 188 189 190 191 192 193 194 195 196 197 198 199 200 201 202 203 204 205 206 207 208 209 210 211 212 213 214 215 216 217 218 219 220 221 222 223 224 225 226 227 228 229 230 231 232 233 234 235 236 237 238 239 240 241 242 243 244 245 246 247 248 249 250 251 252 253 254 255 256 257 258 259 260 261 262 263 264 265 266 267 268 269 270 271 272 273 274 275 276 277 278 279 280 281 282 283 284 285 286 287 288 289 290 291 292 293 294 295 296 297 298 299 300