Строительный блокнот  Introduction to electronics 

1 2 3 4 5 6 7 8 9 10 11 12 13 14 15 16 17 18 19 20 21 22 23 24 25 26 27 28 29 30 31 32 33 34 35 36 37 38 39 40 41 42 43 44 45 46 47 48 49 50 51 52 53 54 55 56 57 58 59 60 61 62 63 64 65 66 67 68 69 70 71 72 73 74 75 76 77 78 79 80 81 82 83 84 85 86 87 88 89 90 91 92 93 94 95 96 97 98 99 100 101 102 103 104 105 106 107 108 109 110 111 112 113 114 115 116 117 118 119 120 121 122 123 124 125 126 127 128 129 130 131 132 133 134 135 136 137 138 139 140 141 142 143 144 145 146 147 148 149 150 151 152 153 [ 154 ] 155 156 157 158 159 160 161 162 163 164 165 166 167 168 169 170 171 172 173 174 175 176 177 178 179 180 181 182 183 184 185 186 187 188 189 190 191 192 193 194 195 196 197 198 199 200 201 202 203 204 205 206 207 208 209 210 211 212 213 214 215 216 217 218 219 220 221 222 223 224 225 226 227 228 229 230 231 232 233 234 235 236 237 238 239 240 241 242 243 244 245 246 247 248 249 250 251 252 253 254 255 256 257 258 259 260 261 262 263 264 265 266 267 268 269 270 271 272 273 274 275 276 277 278 279 280 281 282 283 284 285 286 287 288 289 290 291 292 293 294 295 296 297 298 299 300

Fig, 12,23 Accuraw aeterminwitin of the Telalionship between the average inductor current and

rrtT,


JO

Tills is the more accurate relationship which is employed in this section.

A small-signal current programmed controller model is found by perturbation and linearization of Eq.( 12.59). Let

(i..ft )),] = /, 4, d(t) = D + d{!) miO) = Mi+mi(0

Mij(:t)=Mj-i-ni,(r)

(12.60)

Note that it is necessary to perturb the slopes rn and trt since the inductor current slope depends ou the converter voltages according to Eq. (i2.!). For the basic buck, boost, and buck-boost converters, the slope variations are given by

Buck converter

Boost converter

ra, =

(12.61)

Buck-boost converter

ii=X

h is assumed that m does not vary: /м, = M. Substitution of Eq, (12.60) into Eq. (12.59) leads to

[/L+*JO) = (/. + r,(t))-M,J.JD-Kf(o}-+/?i,(0}(f> + f(f))-y(jW2 + u,(I))(d-(()) -S The fnst-otder ac terms ate

TiCr) = t%(!) - [iWX + D*f 1- 0М{Г,у{г) - Й,(0- mW f-3)

With use of the equilibrium relationship PM = DMj, Eq. (12.63) can be further simplified:



lble 13,2 Current progmtnnied coiitroilergains for basic conveners

Converter

Buck

(l-2DJr, 2L

Boost

(2D-l)r,

Buck-boost

f ,(r> = Ut) - MJAO -2 iW -2 (0

Finally, solution for d(t) yields

oX .

(12.64)

(12.65)

This is the actual relationship that the current programmed controller follows, to determine d(t) as a function of i*.((). v i W iirl mC)- Since the quantities №ii(/), and tnjd) depend tm vii) and v(r), according to Eq. (12.61). we can express Eq. (12.65) in the following form:

d{t)=F

f,(O- -/,P,W-/.0(O

(12.66)

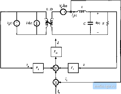
where = XIMJ, Expressions for the gains f, and f, for the basic buck, boost, and btick-boost converters, are listed in Table 12.2. A functional block diagram of the current programmed controller, corresponding to Eq. (12.66), is constructed in Fig. 12.24.

Cunent programmed converter models can now be obtained, by combining the controller block

Hg, 12,24 Functional block diagram of the current programmed controller.




Ciirrtiil Pidgrammed Control

diagram of Fig. 12.24 with the averaged eonvetter models deiived itt Chapter 7. Figttre 12.25 illttstrates the CPM eottverter mttdeis t>btained hy tomhination of Fig. 12.24 with the buck, boost, and buck-boost models of Fig. 7.17. For each conveiter, the cuirent programmed controller contains effective feedback of the inductor cunent (t) and the output voltage v(0, as well as effective feedforward of the input voltage v{t),

12.3.2 Solution of the CPM Transfer Functions

Next, let us solve the models of Fig. 12.25, to determine more accurate expressions for the control-to-output and iine-to-otitput transfer functions of curtent-programmed buck, bot>st, and buck-boost converters. As discussed in Chapter 8, the converter output voltage v can be expressed as a function of the duty-cycle ( /and input voitage v. variations, using the transfer functions G,Js) and G,J,s)

(12.b7)

In a .similar nnanner, the inductor cunent variation / can be expressed as a function of the duty-cycle d and input voltage variations, by defining the transfer functions G,.j{s) and G.Jx).

where the traitsfer functions GJs) and Gj{.s) are given by:

(12.68)

(a) Buck


Fig. 12.25 More accurate models of currcnt-progninimed converteis; (a) Ixick, th) hoost, (c) buck-boost.



1 2 3 4 5 6 7 8 9 10 11 12 13 14 15 16 17 18 19 20 21 22 23 24 25 26 27 28 29 30 31 32 33 34 35 36 37 38 39 40 41 42 43 44 45 46 47 48 49 50 51 52 53 54 55 56 57 58 59 60 61 62 63 64 65 66 67 68 69 70 71 72 73 74 75 76 77 78 79 80 81 82 83 84 85 86 87 88 89 90 91 92 93 94 95 96 97 98 99 100 101 102 103 104 105 106 107 108 109 110 111 112 113 114 115 116 117 118 119 120 121 122 123 124 125 126 127 128 129 130 131 132 133 134 135 136 137 138 139 140 141 142 143 144 145 146 147 148 149 150 151 152 153 [ 154 ] 155 156 157 158 159 160 161 162 163 164 165 166 167 168 169 170 171 172 173 174 175 176 177 178 179 180 181 182 183 184 185 186 187 188 189 190 191 192 193 194 195 196 197 198 199 200 201 202 203 204 205 206 207 208 209 210 211 212 213 214 215 216 217 218 219 220 221 222 223 224 225 226 227 228 229 230 231 232 233 234 235 236 237 238 239 240 241 242 243 244 245 246 247 248 249 250 251 252 253 254 255 256 257 258 259 260 261 262 263 264 265 266 267 268 269 270 271 272 273 274 275 276 277 278 279 280 281 282 283 284 285 286 287 288 289 290 291 292 293 294 295 296 297 298 299 300